CATÁLOGO COMPLETO DE PEÇAS PARA MÁQUINA JACK JK-F4 – LISTA TÉCNICA EM PDF

R$6,90

🚚 Enviamos para todo o Brasil

✔ Identifique cada peça com precisão e evite erros na reposição com o catálogo técnico original

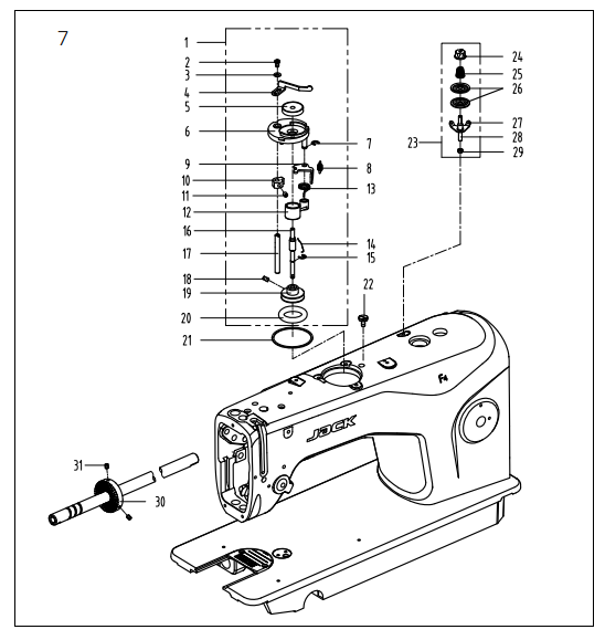
Catálogo de peças em PDF da máquina Jack JK-F4, com diagramas técnicos e códigos detalhados para identificação correta dos componentes. Ideal para manutenção, reposição e consultas técnicas com mais segurança.

📌 O que você vai encontrar neste material:

  • Diagramas explodidos da máquina
  • Identificação completa dos componentes
  • Códigos técnicos de cada peça
  • Estrutura detalhada para montagem
  • Referência visual para manutenção

📌 Para quem este material é indicado:

  • Técnicos de manutenção
  • Mecânicos de máquinas industriais
  • Profissionais da costura
  • Assistências técnicas

📌 Por que esse material é importante:

  • Evita compra errada de peças
  • Facilita a identificação de componentes
  • Agiliza manutenção e reparos
  • Reduz tempo de diagnóstico
  • Garante mais segurança na montagem

📌 Compatibilidade:

  • Máquina reta industrial eletrônica
  • Modelo: Jack JK-F4

 PERGUNTAS FREQUENTES (FAQ)

Como recebo o arquivo após a compra?
Após a confirmação do pagamento, o download é liberado automaticamente.

Esse produto é físico ou digital?
Produto 100% digital. Não há envio físico.

Serve para qualquer máquina?
Não. Este catálogo é específico para a Jack JK-F4.

Posso abrir no celular?
Sim. O arquivo PDF pode ser acessado no celular, tablet ou computador.

Esse material ajuda na manutenção?
Sim. Ele permite identificar peças e auxilia diretamente na manutenção e reposição.

Esse catálogo tem lista de peças?
Sim. Inclui diagramas técnicos com a codificação completa de cada componente.

Idioma

Marca

Tipo de Máquina

Entrega

Formato do Arquivo

Avaliações

Não há avaliações ainda.

Seja o primeiro a avaliar “CATÁLOGO COMPLETO DE PEÇAS PARA MÁQUINA JACK JK-F4 – LISTA TÉCNICA EM PDF”

O seu endereço de e-mail não será publicado. Campos obrigatórios são marcados com *

CATÁLOGO COMPLETO DE PEÇAS PARA MÁQUINA JACK JK-F4 – LISTA TÉCNICA EM PDFCATÁLOGO COMPLETO DE PEÇAS PARA MÁQUINA JACK JK-F4 – LISTA TÉCNICA EM PDF
R$6,90